 |
Matronics Email Lists Web Forum Interface to the Matronics Email Lists
|
| View previous topic :: View next topic |
| Author |
Message |
donvansanten(at)gmail.com Guest
|
Posted: Fri Feb 10, 2017 8:09 pm Post subject: Z12 Question |
|
|
I am considering converting my Z18-8 equipped RV to a Z12 format. The B&C install kit includes an ANL mount and "fuse" plus the current sensor. My question is, is it reasonable to connect my existing anl with its 80 amp fuse and the anl from the stand by source to a single load meter shunt with the output side connected to the cold side of the starter contactor? Except for the addition of the second ANL and the B leed from the standby there are no other changes to this part of my proposed system.
My reason for asking is that it will be difficult to add an additional load meter to my panel. I am thinking that the stand buy would only be generating when the main alternator is offline for what ever reason. The meter reads out XX.X amps and is built into my EFIS. The EFIS has a connection for a hall effect amp sensor but that would require two firewall penetrations from the standby alternator B leed.
I am not sure that I have given enough information to answer my question, but I would appreciate any input. TIA, Don
| | - The Matronics AeroElectric-List Email Forum - | | | Use the List Feature Navigator to browse the many List utilities available such as the Email Subscriptions page, Archive Search & Download, 7-Day Browse, Chat, FAQ, Photoshare, and much more:
http://www.matronics.com/Navigator?AeroElectric-List |
|
|
|
| Back to top |
|
 |
nuckolls.bob(at)aeroelect Guest
|
Posted: Sat Feb 11, 2017 7:04 am Post subject: Z12 Question |
|
|
At 10:03 PM 2/10/2017, you wrote:
| Quote: | I am considering converting my Z18-8 equipped RV to a Z12 format. The B&C install kit includes an ANL mount and "fuse" plus the current sensor. My question is, is it reasonable to connect my existing anl with its 80 amp fuse and the anl from the stand by source to a single load meter shunt with the output side connected to the cold side of the starter contactor? Except for the addition of the second ANL and the B leed from the standby there are no other changes to this part of my proposed system.
My reason for asking is that it will be difficult to add an additional load meter to my panel. I am thinking that the stand buy would only be generating when the main alternator is offline for what ever reason. The meter reads out XX.X amps and is built into my EFIS. The EFIS has a connection for a hall effect amp sensor but that would require two firewall penetrations from the standby alternator B leed.
I am not sure that I have given enough information to answer my question, but I would appreciate any input. TIA, Don
|
I don't thing you want to do this. Morphing from
Z-13/8 to Z-12 negates the multi-layered system
architecture that makes Z-13 so robust.
A loadmeter, like a flaps position indicator is
near the bottom of the heap for in-flight utility.
The loadmeter is more of a trouble-shooting tool
than a source of data for airborne operations.
The VOLTMETER teamed with active notification of
low voltage are the most powerful tools for
electrical system monitoring and mitigation
of failure.
In flight, a loadmeter only displays things you
already KNOW. You do a load analysis to establish
the equipment that can be supported in various phases
of flight. With z-13/8, one of those phases is
continued flight to airport of intended destination
with a failed main alternator.
In this condition, you already KNOW what demands you're
going to place on the standby alternator by having
developed the list of "Plan-X" equipment. Your voltmeter
will confirm that the alternator is maintaining the
e-bus at some level above that which discharges
the battery.
For the majority of my deliberations in crafting wire books
for OBAM aviation projects, the loadmeter was the
'fox tail flying from the tip of your antenna' . . .
looks cool but has no value as a tool for
risk-reduction.
If I were building an airplane, Z-13/8 would be
my first choice of architectures whether or not
loadmeter(s) were on the list of installed accessories.
Bob . . .
| | - The Matronics AeroElectric-List Email Forum - | | | Use the List Feature Navigator to browse the many List utilities available such as the Email Subscriptions page, Archive Search & Download, 7-Day Browse, Chat, FAQ, Photoshare, and much more:
http://www.matronics.com/Navigator?AeroElectric-List |
|
|
|
| Back to top |
|
 |
kenryan
Joined: 20 Oct 2009 Posts: 429
|
Posted: Sat Feb 11, 2017 9:12 am Post subject: Z12 Question |
|
|
I would like to propose that there may be a good and valid use for installing a loadmeter:Â
If one is using a lithium battery and wants to monitor the amount of charging current, so as to be alerted in the event that the battery starts asking for an abnormal amount of charging current.Â
Might this not help to avoid a battery meltdown?Â
At first I was not planning on using a load meter, but now I am leaning to installing one for the above stated reason.
Ken
On Sat, Feb 11, 2017 at 6:02 AM, Robert L. Nuckolls, III <nuckolls.bob(at)aeroelectric.com (nuckolls.bob(at)aeroelectric.com)> wrote:
| Quote: | At 10:03 PM 2/10/2017, you wrote:
| Quote: | I am considering converting my Z18-8 equipped RV to a Z12 format. The B&C install kit includes an ANL mount and "fuse" plus the current sensor. My question is, is it reasonable to connect my existing anl with its 80 amp fuse and the anl from the stand by source to a single load meter shunt with the output side connected to the cold side of the starter contactor? Except for the addition of the second ANL and the B leed from the standby there are no other changes to this part of my proposed system.
My reason for asking is that it will be difficult to add an additional load meter to my panel. I am thinking that the stand buy would only be generating when the main alternator is offline for what ever reason. The meter reads out XX.X amps and is built into my EFIS. The EFIS has a connection for a hall effect amp sensor but that would require two firewall penetrations from the standby alternator B leed.
I am not sure that I have given enough information to answer my question, but I would appreciate any input. TIA, Don
|
 I don't thing you want to do this. Morphing from
 Z-13/8 to Z-12 negates the multi-layered system
 architecture that makes Z-13 so robust.
 A loadmeter, like a flaps position indicator is
 near the bottom of the heap for in-flight utility.
 The loadmeter is more of a trouble-shooting tool
 than a source of data for airborne operations.
 The VOLTMETER teamed with active notification of
 low voltage are the most powerful tools for
 electrical system monitoring and mitigation
 of failure.
 In flight, a loadmeter only displays things you
 already KNOW. You do a load analysis to establish
 the equipment that can be supported in various phases
 of flight. With z-13/8, one of those phases is
 continued flight to airport of intended destination
 with a failed main alternator.
 In this condition, you already KNOW what demands you're
 going to place on the standby alternator by having
 developed the list of "Plan-X" equipment. Your voltmeter
 will confirm that the alternator is maintaining the
 e-bus at some level above that which discharges
 the battery.
 For the majority of my deliberations in crafting wire books
 for OBAM aviation projects, the loadmeter was the
 'fox tail flying from the tip of your antenna' . . .
 looks cool but has no value as a tool for
 risk-reduction.
 If I were building an airplane, Z-13/8 would be
 my first choice of architectures whether or not
 loadmeter(s) were on the list of installed accessories.
 Bob . . .
|
| | - The Matronics AeroElectric-List Email Forum - | | | Use the List Feature Navigator to browse the many List utilities available such as the Email Subscriptions page, Archive Search & Download, 7-Day Browse, Chat, FAQ, Photoshare, and much more:
http://www.matronics.com/Navigator?AeroElectric-List |
|
|
|
| Back to top |
|
 |
ceengland7(at)gmail.com Guest
|
Posted: Sat Feb 11, 2017 11:50 am Post subject: Z12 Question |
|
|
It's a good thought, but how can it actually monitor *charge* current? The alternator is going to supply what ever current is required to keep the voltage at setpoint. Unless you know exactly how much current is being used by all the other devices in the plane at every instant, you can't tell how much is actually going into the battery. Only way to know actual charge current would be to shut off every other electrical consumer in the plane.
The best way to avoid lithium issues is to be confident that the battery management system built into the battery is doing its job properly. (Tough thing to actually *know*....)
Charlie
On 2/11/2017 11:08 AM, Ken Ryan wrote:
| Quote: | I would like to propose that there may be a good and valid use for installing a loadmeter:Â
If one is using a lithium battery and wants to monitor the amount of charging current, so as to be alerted in the event that the battery starts asking for an abnormal amount of charging current.Â
Might this not help to avoid a battery meltdown?Â
At first I was not planning on using a load meter, but now I am leaning to installing one for the above stated reason.
Ken
On Sat, Feb 11, 2017 at 6:02 AM, Robert L. Nuckolls, III <nuckolls.bob(at)aeroelectric.com (nuckolls.bob(at)aeroelectric.com)> wrote:
| Quote: | At 10:03 PM 2/10/2017, you wrote:
| Quote: | I am considering converting my Z18-8 equipped RV to a Z12 format. The B&C install kit includes an ANL mount and "fuse" plus the current sensor. My question is, is it reasonable to connect my existing anl with its 80 amp fuse and the anl from the stand by source to a single load meter shunt with the output side connected to the cold side of the starter contactor? Except for the addition of the second ANL and the B leed from the standby there are no other changes to this part of my proposed system.
My reason for asking is that it will be difficult to add an additional load meter to my panel. I am thinking that the stand buy would only be generating when the main alternator is offline for what ever reason. The meter reads out XX.X amps and is built into my EFIS. The EFIS has a connection for a hall effect amp sensor but that would require two firewall penetrations from the standby alternator B leed.
I am not sure that I have given enough information to answer my question, but I would appreciate any input. TIA, Don
|
 I don't thing you want to do this. Morphing from
 Z-13/8 to Z-12 negates the multi-layered system
 architecture that makes Z-13 so robust.
 A loadmeter, like a flaps position indicator is
 near the bottom of the heap for in-flight utility.
 The loadmeter is more of a trouble-shooting tool
 than a source of data for airborne operations.
 The VOLTMETER teamed with active notification of
 low voltage are the most powerful tools for
 electrical system monitoring and mitigation
 of failure.
 In flight, a loadmeter only displays things you
 already KNOW. You do a load analysis to establish
 the equipment that can be supported in various phases
 of flight. With z-13/8, one of those phases is
 continued flight to airport of intended destination
 with a failed main alternator.
 In this condition, you already KNOW what demands you're
 going to place on the standby alternator by having
 developed the list of "Plan-X" equipment. Your voltmeter
 will confirm that the alternator is maintaining the
 e-bus at some level above that which discharges
 the battery.
 For the majority of my deliberations in crafting wire books
 for OBAM aviation projects, the loadmeter was the
 'fox tail flying from the tip of your antenna' . . .
 looks cool but has no value as a tool for
 risk-reduction.
 If I were building an airplane, Z-13/8 would be
 my first choice of architectures whether or not
 loadmeter(s) were on the list of installed accessories.
 Bob . . .
|
|
| | - The Matronics AeroElectric-List Email Forum - | | | Use the List Feature Navigator to browse the many List utilities available such as the Email Subscriptions page, Archive Search & Download, 7-Day Browse, Chat, FAQ, Photoshare, and much more:
http://www.matronics.com/Navigator?AeroElectric-List |
|
|
|
| Back to top |
|
 |
user9253
Joined: 28 Mar 2008 Posts: 1967 Location: Riley TWP Michigan
|
Posted: Sat Feb 11, 2017 2:12 pm Post subject: Re: Z12 Question |
|
|
The attached picture from a Dynon installation manual shows three common locations where an ammeter shunt can be installed.
Location "A" is used to show battery charge and discharge current.
Location "B" is used to show alternator output current (load-meter).
Location "C" is used to show how much current the aircraft is using.
The shunt location is a matter of personal preference and has been the subject of arguments. The important thing is for the pilot to understand the meaning of the ammeter display. For instance, a pilot could misinterpret positive current from a shunt in location "C" as normal, ignoring the low voltage and oblivious to the fact that the alternator has stopped working.
| | - The Matronics AeroElectric-List Email Forum - | | | Use the List Feature Navigator to browse the many List utilities available such as the Email Subscriptions page, Archive Search & Download, 7-Day Browse, Chat, FAQ, Photoshare, and much more:
http://www.matronics.com/Navigator?AeroElectric-List |
|
| Description: |
|
| Filesize: |
28.28 KB |
| Viewed: |
15272 Time(s) |

|
_________________ Joe Gores |
|
| Back to top |
|
 |
kenryan
Joined: 20 Oct 2009 Posts: 429
|
Posted: Sat Feb 11, 2017 2:16 pm Post subject: Z12 Question |
|
|
Charlie, I guess I was thinking that if there was a catastrophic failure
that is going to eventually lead to battery meltdown, it would likely
manifest in pegging the alternator to maximum output. In my case that is
supposed to be 40 amps, while my maximum normal usage would be closer to 20
amps so I was thinking if I set an alarm for, say 25 amps, it might alert
me to impending disaster.
On Sat, Feb 11, 2017 at 10:32 AM, Charlie England <ceengland7(at)gmail.com>
wrote:
[quote] It's a good thought, but how can it actually monitor *charge* current? The
alternator is going to supply what ever current is required to keep the
voltage at setpoint. Unless you know exactly how much current is being used
by all the other devices in the plane at every instant, you can't tell how
much is actually going into the battery. Only way to know actual charge
current would be to shut off every other electrical consumer in the plane
| | - The Matronics AeroElectric-List Email Forum - | | | Use the List Feature Navigator to browse the many List utilities available such as the Email Subscriptions page, Archive Search & Download, 7-Day Browse, Chat, FAQ, Photoshare, and much more:
http://www.matronics.com/Navigator?AeroElectric-List |
|
|
|
| Back to top |
|
 |
donvansanten(at)gmail.com Guest
|
Posted: Sat Feb 11, 2017 2:30 pm Post subject: Z12 Question |
|
|
Bob, thanks for your input. My "load" during daylight ops after the battery
is recharged from the start is roughly 13 to 15A. The load meter question
should have stated that it was just for "setup and test" to determine what
items can be operated while the 20A alternator is the power source.
What I need to know is, is it electrically safe to connect the two ANL
blocks to the input side of the shunt and the output side of the shunt to
the cold side of the starter contactor? At no time would there be output
from from both alternators simultaneosly.
Part of my decission to drop the E bus and go with the 20 A standby was
your recent responce to an individual asking about using the 20A standby.
You said something like "I would abandon the e bus and go with the Z12
setup".
On Feb 11, 2017 12:02, "Charlie England" <ceengland7(at)gmail.com> wrote:
[quote] It's a good thought, but how can it actually monitor *charge* current? The
alternator is going to supply what ever current is required to keep the
voltage at setpoint. Unless you know exactly how much current is being used
by all the other devices in the plane at every instant, you can't tell how
much is actually going into the battery. Only way to know actual charge
current would be to shut off every other electrical consumer in the plane
| | - The Matronics AeroElectric-List Email Forum - | | | Use the List Feature Navigator to browse the many List utilities available such as the Email Subscriptions page, Archive Search & Download, 7-Day Browse, Chat, FAQ, Photoshare, and much more:
http://www.matronics.com/Navigator?AeroElectric-List |
|
|
|
| Back to top |
|
 |
donvansanten(at)gmail.com Guest
|
Posted: Sat Feb 11, 2017 2:31 pm Post subject: Z12 Question |
|
|
Bob, thanks for your input. My "load" during daylight ops after the battery
is recharged from the start is roughly 13 to 15 A. I have had two SD8
failures and one E bus relay failure in 6 years of flight. I have trust
issues with the SD8 and have decided that I prefer the 20 A standby. I
recognize that I have probably used up a life time of SD8 failures but I am
still going with the 20A setup. The load meter question should have stated
that it was just for "setup and test"
On Feb 11, 2017 12:02, "Charlie England" <ceengland7(at)gmail.com> wrote:
[quote] It's a good thought, but how can it actually monitor *charge* current? The
alternator is going to supply what ever current is required to keep the
voltage at setpoint. Unless you know exactly how much current is being used
by all the other devices in the plane at every instant, you can't tell how
much is actually going into the battery. Only way to know actual charge
current would be to shut off every other electrical consumer in the plane
| | - The Matronics AeroElectric-List Email Forum - | | | Use the List Feature Navigator to browse the many List utilities available such as the Email Subscriptions page, Archive Search & Download, 7-Day Browse, Chat, FAQ, Photoshare, and much more:
http://www.matronics.com/Navigator?AeroElectric-List |
|
|
|
| Back to top |
|
 |
ceengland7(at)gmail.com Guest
|
Posted: Sat Feb 11, 2017 3:00 pm Post subject: Z12 Question |
|
|
Ah, yes; I see where you're going with it. You'd still need to set the alarm point fairly high to avoid false positives in situations like after a hard start with a partially charged battery, where the alt would try to max out its output to recover the battery faster. Of course, if the BMS is doing its job, that won't happen, I suppose.
On Sat, Feb 11, 2017 at 4:12 PM, Ken Ryan <keninalaska(at)gmail.com (keninalaska(at)gmail.com)> wrote:
| Quote: | Charlie, I guess I was thinking that if there was a catastrophic failure that is going to eventually lead to battery meltdown, it would likely manifest in pegging the alternator to maximum output. In my case that is supposed to be 40 amps, while my maximum normal usage would be closer to 20 amps so I was thinking if I set an alarm for, say 25 amps, it might alert me to impending disaster.
On Sat, Feb 11, 2017 at 10:32 AM, Charlie England <ceengland7(at)gmail.com (ceengland7(at)gmail.com)> wrote:
| Quote: | It's a good thought, but how can it actually monitor *charge* current? The alternator is going to supply what ever current is required to keep the voltage at setpoint. Unless you know exactly how much current is being used by all the other devices in the plane at every instant, you can't tell how much is actually going into the battery. Only way to know actual charge current would be to shut off every other electrical consumer in the plane.
The best way to avoid lithium issues is to be confident that the battery management system built into the battery is doing its job properly. (Tough thing to actually *know*....)
Charlie
On 2/11/2017 11:08 AM, Ken Ryan wrote:
| Quote: | I would like to propose that there may be a good and valid use for installing a loadmeter:Â
If one is using a lithium battery and wants to monitor the amount of charging current, so as to be alerted in the event that the battery starts asking for an abnormal amount of charging current.Â
Might this not help to avoid a battery meltdown?Â
At first I was not planning on using a load meter, but now I am leaning to installing one for the above stated reason.
Ken
On Sat, Feb 11, 2017 at 6:02 AM, Robert L. Nuckolls, III <nuckolls.bob(at)aeroelectric.com (nuckolls.bob(at)aeroelectric.com)> wrote:
| Quote: | At 10:03 PM 2/10/2017, you wrote:
5862514601381083048m_8261962054693459447cite">I am considering converting my Z18-8 equipped RV to a Z12 format. The B&C install kit includes an ANL mount and "fuse" plus the current sensor. My question is, is it reasonable to connect my existing anl with its 80 amp fuse and the anl from the stand by source to a single load meter shunt with the output side connected to the cold side of the starter contactor? Except for the addition of the second ANL and the B leed from the standby there are no other changes to this part of my proposed system.
My reason for asking is that it will be difficult to add an additional load meter to my panel. I am thinking that the stand buy would only be generating when the main alternator is offline for what ever reason. The meter reads out XX.X amps and is built into my EFIS. The EFIS has a connection for a hall effect amp sensor but that would require two firewall penetrations from the standby alternator B leed.
I am not sure that I have given enough information to answer my question, but I would appreciate any input. TIA, Don
|
 I don't thing you want to do this. Morphing from
 Z-13/8 to Z-12 negates the multi-layered system
 architecture that makes Z-13 so robust.
 A loadmeter, like a flaps position indicator is
 near the bottom of the heap for in-flight utility.
 The loadmeter is more of a trouble-shooting tool
 than a source of data for airborne operations.
 The VOLTMETER teamed with active notification of
 low voltage are the most powerful tools for
 electrical system monitoring and mitigation
 of failure.
 In flight, a loadmeter only displays things you
 already KNOW. You do a load analysis to establish
 the equipment that can be supported in various phases
 of flight. With z-13/8, one of those phases is
 continued flight to airport of intended destination
 with a failed main alternator.
 In this condition, you already KNOW what demands you're
 going to place on the standby alternator by having
 developed the list of "Plan-X" equipment. Your voltmeter
 will confirm that the alternator is maintaining the
 e-bus at some level above that which discharges
 the battery.
 For the majority of my deliberations in crafting wire books
 for OBAM aviation projects, the loadmeter was the
 'fox tail flying from the tip of your antenna' . . .
 looks cool but has no value as a tool for
 risk-reduction.
 If I were building an airplane, Z-13/8 would be
 my first choice of architectures whether or not
 loadmeter(s) were on the list of installed accessories.
 Bob . . .
|
|
|
[/quote]
| | - The Matronics AeroElectric-List Email Forum - | | | Use the List Feature Navigator to browse the many List utilities available such as the Email Subscriptions page, Archive Search & Download, 7-Day Browse, Chat, FAQ, Photoshare, and much more:
http://www.matronics.com/Navigator?AeroElectric-List |
|
|
|
| Back to top |
|
 |
donvansanten(at)gmail.com Guest
|
Posted: Sat Feb 11, 2017 3:10 pm Post subject: Z12 Question |
|
|
I just noticed that I mislabeled the starter contactor connection. It would be the hot side. The Z14 diagram would only have the loadmeter shunt for the standby alternater removed, the fusible link replaced by an ANL and the shunt placed between the two ANL outputs and the hot side of the starter contacter. This is very close to the original diagram with only one load meter shunt.
Is this acceptable?
On Sat, Feb 11, 2017 at 7:02 AM, Robert L. Nuckolls, III <nuckolls.bob(at)aeroelectric.com (nuckolls.bob(at)aeroelectric.com)> wrote:
| Quote: | At 10:03 PM 2/10/2017, you wrote:
| Quote: | I am considering converting my Z18-8 equipped RV to a Z12 format. The B&C install kit includes an ANL mount and "fuse" plus the current sensor. My question is, is it reasonable to connect my existing anl with its 80 amp fuse and the anl from the stand by source to a single load meter shunt with the output side connected to the cold side of the starter contactor? Except for the addition of the second ANL and the B leed from the standby there are no other changes to this part of my proposed system.
My reason for asking is that it will be difficult to add an additional load meter to my panel. I am thinking that the stand buy would only be generating when the main alternator is offline for what ever reason. The meter reads out XX.X amps and is built into my EFIS. The EFIS has a connection for a hall effect amp sensor but that would require two firewall penetrations from the standby alternator B leed.
I am not sure that I have given enough information to answer my question, but I would appreciate any input. TIA, Don
|
 I don't thing you want to do this. Morphing from
 Z-13/8 to Z-12 negates the multi-layered system
 architecture that makes Z-13 so robust.
 A loadmeter, like a flaps position indicator is
 near the bottom of the heap for in-flight utility.
 The loadmeter is more of a trouble-shooting tool
 than a source of data for airborne operations.
 The VOLTMETER teamed with active notification of
 low voltage are the most powerful tools for
 electrical system monitoring and mitigation
 of failure.
 In flight, a loadmeter only displays things you
 already KNOW. You do a load analysis to establish
 the equipment that can be supported in various phases
 of flight. With z-13/8, one of those phases is
 continued flight to airport of intended destination
 with a failed main alternator.
 In this condition, you already KNOW what demands you're
 going to place on the standby alternator by having
 developed the list of "Plan-X" equipment. Your voltmeter
 will confirm that the alternator is maintaining the
 e-bus at some level above that which discharges
 the battery.
 For the majority of my deliberations in crafting wire books
 for OBAM aviation projects, the loadmeter was the
 'fox tail flying from the tip of your antenna' . . .
 looks cool but has no value as a tool for
 risk-reduction.
 If I were building an airplane, Z-13/8 would be
 my first choice of architectures whether or not
 loadmeter(s) were on the list of installed accessories.
 Bob . . .
|
| | - The Matronics AeroElectric-List Email Forum - | | | Use the List Feature Navigator to browse the many List utilities available such as the Email Subscriptions page, Archive Search & Download, 7-Day Browse, Chat, FAQ, Photoshare, and much more:
http://www.matronics.com/Navigator?AeroElectric-List |
|
|
|
| Back to top |
|
 |
JohnInReno
Joined: 08 Sep 2007 Posts: 150
|
Posted: Sat Feb 11, 2017 3:41 pm Post subject: Z12 Question |
|
|
Ken,
If I start the engine with the alternator off and if I forget to turn it
on for a while, then my EarthX900 will draw almost 65 amps from a 60 amp
Plane Power for a short period of time. I believe this behavior is
normal and the battery management system doesn't complain. The
temperature strips that I attached directly to the battery show less
than 160 degrees f and I fly summers in AZ.
My standard load is either 8 or 15 amps.
john
On 2/11/2017 3:12 PM, Ken Ryan wrote:
| Quote: | Charlie, I guess I was thinking that if there was a catastrophic
failure that is going to eventually lead to battery meltdown, it would
likely manifest in pegging the alternator to maximum output. In my
case that is supposed to be 40 amps, while my maximum normal usage
would be closer to 20 amps so I was thinking if I set an alarm for,
say 25 amps, it might alert me to impending disaster.
|
| | - The Matronics AeroElectric-List Email Forum - | | | Use the List Feature Navigator to browse the many List utilities available such as the Email Subscriptions page, Archive Search & Download, 7-Day Browse, Chat, FAQ, Photoshare, and much more:
http://www.matronics.com/Navigator?AeroElectric-List |
|
_________________ John Morgensen
RV-9A - Born on July 3, 2013
RV4 - for sale |
|
| Back to top |
|
 |
user9253
Joined: 28 Mar 2008 Posts: 1967 Location: Riley TWP Michigan
|
Posted: Sat Feb 11, 2017 7:06 pm Post subject: Re: Z12 Question |
|
|
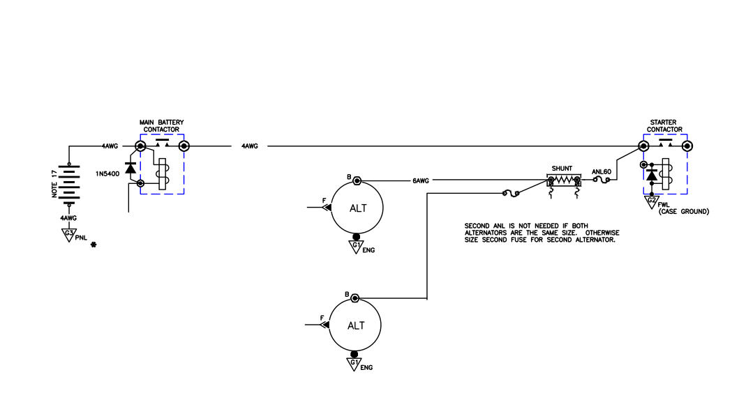
Don, is this something like what you have in mind? I think it is feasible.
The ANL 60 could be moved to the other side of the shunt. Then the shunt would not have short circuit protection.
| | - The Matronics AeroElectric-List Email Forum - | | | Use the List Feature Navigator to browse the many List utilities available such as the Email Subscriptions page, Archive Search & Download, 7-Day Browse, Chat, FAQ, Photoshare, and much more:
http://www.matronics.com/Navigator?AeroElectric-List |
|
| Description: |
|
| Filesize: |
40.88 KB |
| Viewed: |
15257 Time(s) |

|
_________________ Joe Gores |
|
| Back to top |
|
 |
donvansanten(at)gmail.com Guest
|
Posted: Sat Feb 11, 2017 10:20 pm Post subject: Z12 Question |
|
|
Joe,
That is exactly what I was intending. The Alternators are Main= 60A standby=20A. The current setup has an 80A ANL in the main "b" leed before the shunt. I was thinking of using a 30A ANL in the b leed of the standby. Both ANL's would then connect to the shunt input and the shunt output wound connect to the starter contactor.
On Sat, Feb 11, 2017 at 7:06 PM, user9253 <fransew(at)gmail.com (fransew(at)gmail.com)> wrote:
| Quote: | --> AeroElectric-List message posted by: "user9253" <fransew(at)gmail.com (fransew(at)gmail.com)>
Don, is this something like what you have in mind? I think it is feasible.
The ANL 60 could be moved to the other side of the shunt. Then the shunt would not have short circuit protection.
--------
Joe Gores
Read this topic online here:
http://forums.matronics.com/viewtopic.php?p=466040#466040
Attachments:
http://forums.matronics.com//files/2_alt__1_shunt_994.jpg
====================================
-
Electric-List" rel="noreferrer" target="_blank">http://www.matronics.com/Navigator?AeroElectric-List
====================================
FORUMS -
eferrer" target="_blank">http://forums.matronics.com
====================================
WIKI -
errer" target="_blank">http://wiki.matronics.com
====================================
b Site -
     -Matt Dralle, List Admin.
rel="noreferrer" target="_blank">http://www.matronics.com/contribution
====================================
|
| | - The Matronics AeroElectric-List Email Forum - | | | Use the List Feature Navigator to browse the many List utilities available such as the Email Subscriptions page, Archive Search & Download, 7-Day Browse, Chat, FAQ, Photoshare, and much more:
http://www.matronics.com/Navigator?AeroElectric-List |
|
|
|
| Back to top |
|
 |
user9253
Joined: 28 Mar 2008 Posts: 1967 Location: Riley TWP Michigan
|
Posted: Sun Feb 12, 2017 7:33 am Post subject: Re: Z12 Question |
|
|
Looking at Z-12, both alternator outputs are connected together through very low resistance shunts and short circuit protection devices. Your plan does not change that. The only disadvantage I see in your plan is that the shunt will not have short circuit protection. And the disadvantage of my circuit posted above is that if the large ANL current limiter blows, then both alternators are lost. Separate shunts as in Z-13/8 eliminates those disadvantages.
You might consider using a 30 amp Maxi fuse instead of an ANL to save money and weight.
| | - The Matronics AeroElectric-List Email Forum - | | | Use the List Feature Navigator to browse the many List utilities available such as the Email Subscriptions page, Archive Search & Download, 7-Day Browse, Chat, FAQ, Photoshare, and much more:
http://www.matronics.com/Navigator?AeroElectric-List |
|
_________________ Joe Gores |
|
| Back to top |
|
 |
donvansanten(at)gmail.com Guest
|
Posted: Sun Feb 12, 2017 2:27 pm Post subject: Z12 Question |
|
|
Joe,
I may try using the Hall Effect amp sensor with the standby.alt. The manufacturer says the sensor may not be mounted on the hat side of the firewall. I know of a few people that have ignored this warning and they have had no issues with the sensor functioning after 1500 to 2500 hours of use. I might try this as well.
On Sun, Feb 12, 2017 at 7:33 AM, user9253 <fransew(at)gmail.com (fransew(at)gmail.com)> wrote:
| Quote: | --> AeroElectric-List message posted by: "user9253" <fransew(at)gmail.com (fransew(at)gmail.com)>
Looking at Z-12, both alternator outputs are connected together through very low resistance shunts and short circuit protection devices. Your plan does not change that. The only disadvantage I see in your plan is that the shunt will not have short circuit protection. And the disadvantage of my circuit posted above is that if the large ANL current limiter blows, then both alternators are lost. Separate shunts as in Z-13/8 eliminates those disadvantages.
 You might consider using a 30 amp Maxi fuse instead of an ANL to save money and weight.
--------
Joe Gores
Read this topic online here:
http://forums.matronics.com/viewtopic.php?p=466047#466047
====================================
-
Electric-List" rel="noreferrer" target="_blank">http://www.matronics.com/Navigator?AeroElectric-List
====================================
FORUMS -
eferrer" target="_blank">http://forums.matronics.com
====================================
WIKI -
errer" target="_blank">http://wiki.matronics.com
====================================
b Site -
     -Matt Dralle, List Admin.
rel="noreferrer" target="_blank">http://www.matronics.com/contribution
====================================
|
| | - The Matronics AeroElectric-List Email Forum - | | | Use the List Feature Navigator to browse the many List utilities available such as the Email Subscriptions page, Archive Search & Download, 7-Day Browse, Chat, FAQ, Photoshare, and much more:
http://www.matronics.com/Navigator?AeroElectric-List |
|
|
|
| Back to top |
|
 |
user9253
Joined: 28 Mar 2008 Posts: 1967 Location: Riley TWP Michigan
|
Posted: Sun Feb 12, 2017 3:50 pm Post subject: Re: Z12 Question |
|
|
Don, I have no experience with hall effect sensors, so can not advise. That sensor could be mounted on the cold side of the firewall, but would require another wire through the firewall, 12 or 10 AWG, whatever the alternator requires.
| | - The Matronics AeroElectric-List Email Forum - | | | Use the List Feature Navigator to browse the many List utilities available such as the Email Subscriptions page, Archive Search & Download, 7-Day Browse, Chat, FAQ, Photoshare, and much more:
http://www.matronics.com/Navigator?AeroElectric-List |
|
_________________ Joe Gores |
|
| Back to top |
|
 |
donvansanten(at)gmail.com Guest
|
Posted: Sun Feb 12, 2017 4:19 pm Post subject: Z12 Question |
|
|
Yeah it would need to come in, through hall effect and then bach out. Trying to avoid the extra penetrations. Think I will just try the hall effect on the hot side of FW.Don
On Feb 12, 2017 16:02, "user9253" <fransew(at)gmail.com (fransew(at)gmail.com)> wrote: | Quote: | --> AeroElectric-List message posted by: "user9253" <fransew(at)gmail.com (fransew(at)gmail.com)>
Don, I have no experience with hall effect sensors, so can not advise. That sensor could be mounted on the cold side of the firewall, but would require another wire through the firewall, 12 or 10 AWG, whatever the alternator requires.
--------
Joe Gores
Read this topic online here:
http://forums.matronics.com/viewtopic.php?p=466088#466088
====================================
-
Electric-List" rel="noreferrer" target="_blank">http://www.matronics.com/Navigator?AeroElectric-List
====================================
FORUMS -
eferrer" target="_blank">http://forums.matronics.com
====================================
WIKI -
errer" target="_blank">http://wiki.matronics.com
====================================
b Site -
     -Matt Dralle, List Admin.
rel="noreferrer" target="_blank">http://www.matronics.com/contribution
====================================
|
| | - The Matronics AeroElectric-List Email Forum - | | | Use the List Feature Navigator to browse the many List utilities available such as the Email Subscriptions page, Archive Search & Download, 7-Day Browse, Chat, FAQ, Photoshare, and much more:
http://www.matronics.com/Navigator?AeroElectric-List |
|
|
|
| Back to top |
|
 |
user9253
Joined: 28 Mar 2008 Posts: 1967 Location: Riley TWP Michigan
|
Posted: Sun Feb 12, 2017 5:36 pm Post subject: Re: Z12 Question |
|
|
The wire would not have to go back out. Just connect it to the main power bus with a fuse or circuit breaker.
| | - The Matronics AeroElectric-List Email Forum - | | | Use the List Feature Navigator to browse the many List utilities available such as the Email Subscriptions page, Archive Search & Download, 7-Day Browse, Chat, FAQ, Photoshare, and much more:
http://www.matronics.com/Navigator?AeroElectric-List |
|
_________________ Joe Gores |
|
| Back to top |
|
 |
|
|
You cannot post new topics in this forum You cannot reply to topics in this forum You cannot edit your posts in this forum You cannot delete your posts in this forum You cannot vote in polls in this forum You cannot attach files in this forum You can download files in this forum
|
Powered by phpBB © 2001, 2005 phpBB Group
|